联系suncitygroup太阳新城

实验室资源

解决方案

产品展示

关于suncitygroup太阳新城

首页

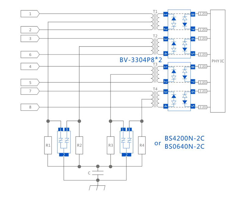
RJ45 10/700μs CM/DM 6KV