联系suncitygroup太阳新城

实验室资源

解决方案

产品展示

关于suncitygroup太阳新城

首页

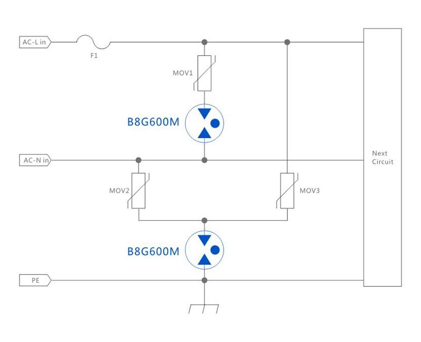
AC220V

1.2/50μs-8/20μs CM/DM10KV-5KA